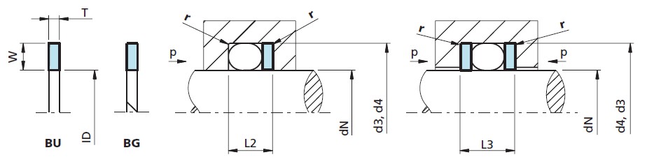
擋圈2型
.jpg)
| 缸孔ø | 溝槽 | 溝槽寬度 | 半徑 | 擋圈尺寸 | 訂貨號 | O-形圈件號 | O-形圈尺寸 | |
| DN H8 | D1 h9 | L2+0.2 | L3+0.2 | r±0.2 | OD x W x T | d1 x d2 | ||
| 4 | 6.2 | 3 | 4 | 0.25 | 4.0 x 1.1 x 1.4 | BU11L0040 | OR1500400 | 4.00 x 1.50 |
| 4 | 6.6 | 3.8 | 5.2 | 0.25 | 4.0 x 1.3 x 1.4 | BU1200040 | ORAR00007 | 3.68 x 1.78 |
| 5 | 7.2 | 3 | 4 | 0.25 | 5.0 x 1.1 x 1.4 | BU1100050 | OR1500500 | 5.00 x 1.50 |
| 5 | 7.6 | 3.8 | 5.2 | 0.25 | 5.0 x 1.3 x 1.4 | BU1300050 | ORAR00008 | 4.47 x 1.78 |
| 6 | 8.2 | 3 | 4 | 0.25 | 6.0 x 1.1 x 1.4 | BU1100060 | OR1500600 | 6.00 x 1.50 |
| 6 | 8.6 | 3.8 | 5.2 | 0.25 | 6.0 x 1.3 x 1.4 | BU1300060 | ORAR00010 | 6.07 x 1.78 |
| 8 | 10.6 | 3.8 | 5.2 | 0.25 | 8.0 x 1.3 x 1.4 | BU1300080 | ORAR00011 | 7.65 x 1.78 |
| 8 | 11 | 4.1 | 5.5 | 0.25 | 8.0 x 1.5 x 1.4 | BU1500080 | OR2000800 | 8.00 x 2.00 |
| 10 | 12.6 | 3.8 | 5.2 | 0.25 | 10.0 x 1.3 x 1.4 | BU1300100 | ORAR00013 | 10.82 x 1.78 |
| 10 | 13 | 4.1 | 5.5 | 0.25 | 10.0 x 1.5 x 1.4 | BU1500100 | OR2001000 | 10.00 x 2.00 |
| 12 | 14.6 | 3.8 | 5.2 | 0.25 | 12.0 x 1.3 x 1.4 | BU1300120 | ORAR00014 | 12.42 x 1.78 |
| 12 | 15 | 4.1 | 5.5 | 0.25 | 12.0 x 1.5 x 1.4 | BU1500120 | OR2001200 | 12.00 x 2.00 |
| 14 | 16.5 | 3.8 | 5.2 | 0.25 | 14.0 x 1.3 x 1.4 | BU1300140 | ORAR00015 | 14.00 x 1.78 |
| 14 | 17 | 4.1 | 5.5 | 0.25 | 14.0 x 1.5 x 1.4 | BU1500140 | OR2001400 | 14.00 x 2.00 |
| 15 | 17.6 | 3.8 | 5.2 | 0.25 | 15.0 x 1.3 x 1.4 | BU1300150 | ORAR00016 | 15.60 x 1.78 |
| 15 | 18 | 4.1 | 5.5 | 0.25 | 15.0 x 1.5 x 1.4 | BU1500150 | OR2001500 | 15.00 x 2.00 |
| 16 | 18.6 | 3.8 | 5.2 | 0.25 | 16.0 x 1.3 x 1.4 | BU1300160 | ORAR00016 | 15.60 x 1.78 |
| 16 | 19 | 4.1 | 5.5 | 0.25 | 16.0 x 1.5 x 1.4 | BU1500160 | OR2001600 | 16.00 x 2.00 |
| 18 | 20.6 | 3.8 | 5.2 | 0.25 | 18.0 x 1.3 x 1.4 | BU1300180 | ORAR00018 | 18.77 x 1.78 |
| 18 | 21 | 4.1 | 5.5 | 0.25 | 18.0 x 1.5 x 1.4 | BU1500180 | OR2001800 | 18.00 x 2.00 |
| 20 | 22.6 | 3.8 | 5.2 | 0.25 | 20.0 x 1.3 x 1.4 | BU1300200 | ORAR00019 | 20.35 x 1.78 |
| 20 | 23 | 4.1 | 5.5 | 0.25 | 20.0 x 1.5 x 1.4 | BU1500200 | OR2002000 | 20.00 x 2.00 |
| 22 | 26 | 5 | 6.4 | 0.25 | 22.0 x 2.0 x 1.4 | BU2000220 | ORAR00118 | 21.89 x 2.62 |
| 22 | 26.6 | 5.4 | 6.8 | 0.25 | 22.0 x 2.3 x 1.4 | BU2300220 | OR3002200 | 22.00 x 3.00 |
| 25 | 29 | 5 | 6.4 | 0.25 | 25.0 x 2.0 x 1.4 | BU2000250 | ORAR00120 | 25.07 x 2.62 |
| 25 | 29.6 | 5.4 | 6.8 | 0.25 | 25.0 x 2.3 x 1.4 | BU2300250 | OR3002500 | 25.00 x 3.00 |
| 28 | 32 | 5 | 6.4 | 0.25 | 28.0 x 2.0 x 1.4 | BU2000280 | ORAR00122 | 28.24 x 2.62 |
| 28 | 32.6 | 5.4 | 6.8 | 0.25 | 28.0 x 2.3 x 1.4 | BU2300280 | OR3002800 | 28.00 x 2.00 |
| 30 | 34 | 5 | 6.4 | 0.25 | 30.0 x 2.0 x 1.4 | BU2000300 | ORAR00123 | 29.83 x 2.62 |
| 30 | 34.6 | 5.4 | 6.8 | 0.25 | 30.0 x 2.3 x 1.4 | BU2300300 | OR3003000 | 30.00 x 3.00 |
| 32 | 36 | 5 | 6.4 | 0.25 | 32.0 x 2.0 x 1.4 | BU2000320 | ORAR00125 | 31.42 x 2.62 |
| 32 | 36.6 | 5.4 | 6.8 | 0.25 | 32.0 x 2.3 x 1.4 | BU2300320 | OR3003200 | 32.00 x 3.00 |
| 35 | 39 | 5 | 6.4 | 0.25 | 35.0 x 2.0 x 1.4 | BU2000350 | ORAR00126 | 34.59 x 2.62 |
| 35 | 39.6 | 5.4 | 6.8 | 0.25 | 35.0 x 2.3 x 1.4 | BU2300350 | OR3003500 | 35.00 x 3.00 |
| 36 | 40 | 5 | 6.4 | 0.25 | 36.0 x 2.0 x 1.4 | BU2000360 | ORAR00127 | 36.17 x 2.62 |
| 36 | 40.6 | 5.4 | 6.8 | 0.25 | 36.0 x 2.3 x 1.4 | BU2300360 | OR3003600 | 36.00 x 3.00 |
| 40 | 45.4 | 6.2 | 7.6 | 0.25 | 40.0 x 2.7 x 1.4 | BU2700400 | ORAR00223 | 40.87 x 3.53 |
| 40 | 46.1 | 6.9 | 8.6 | 0.25 | 40.0 x 3.1 x 1.7 | BU3100400 | OR4004000 | 40.00 x 4.00 |
| 42 | 47.4 | 6.2 | 7.6 | 0.25 | 42.0 x 2.7 x 1.4 | BU2700420 | ORAR00223 | 40.87 x 3.53 |
| 42 | 48.2 | 6.9 | 8.6 | 0.25 | 42.0 x 3.1 x 1.7 | BU3100420 | OR4004200 | 42.00 x 4.00 |
| 45 | 50.4 | 6.2 | 7.6 | 0.25 | 45.0 x 2.7 x 1.4 | BU2700450 | ORAR00224 | 44.04 x 3.53 |
| 45 | 51.2 | 6.9 | 8.6 | 0.25 | 45.0 x 3.1 x 1.7 | BU3100450 | OR4004500 | 45.00 x 4.00 |
| 48 | 53.4 | 6.2 | 7.6 | 0.25 | 48.0 x 2.7 x 1.4 | BU2700480 | ORAR00225 | 47.22 x 3.53 |
| 48 | 54.2 | 6.9 | 8.6 | 0.25 | 48.0 x 3.1 x 1.7 | BU3100480 | OR4004800 | 48.00 x 4.00 |
| 50 | 55.4 | 6.2 | 7.6 | 0.25 | 50.0 x 2.7 x 1.4 | BU2700500 | ORAR00226 | 50.39 x 3.53 |
| 50 | 56.2 | 6.9 | 8.6 | 0.25 | 50.0 x 3.1 x 1.7 | BU3100500 | OR4005000 | 50.00 x 4.00 |
| 52 | 57.4 | 6.2 | 7.6 | 0.25 | 52.0 x 2.7 x 1.4 | BU2700520 | ORAR00226 | 50.39 x 3.53 |
| 52 | 58.2 | 6.9 | 8.6 | 0.25 | 52.0 x 3.1 x 1.7 | BU3100520 | OR4005200 | 52.00 x 4.00 |
| 55 | 60.4 | 6.2 | 7.6 | 0.25 | 55.0 x 2.7 x 1.4 | BU2700550 | ORAR00227 | 53.57 x 3.53 |
| 55 | 61.2 | 6.9 | 8.6 | 0.25 | 55.0 x 3.1 x 1.7 | BU3100550 | OR4005500 | 55.00 x 4.00 |
| 56 | 61.4 | 6.2 | 7.6 | 0.25 | 56.0 x 2.7 x 1.4 | BU2700560 | ORAR00228 | 56.74 x 3.53 |
| 56 | 62.2 | 6.9 | 8.6 | 0.25 | 56.0 x 3.1 x 1.7 | BU3100560 | OR4005600 | 56.00 x 4.00 |
| 60 | 65.4 | 6.2 | 7.6 | 0.25 | 60.0 x 2.7 x 1.4 | BU2700600 | ORAR00229 | 59.92 x 3.53 |
| 60 | 66.2 | 6.9 | 8.6 | 0.25 | 60.0 x 3.1 x 1.7 | BU3100600 | OR4006000 | 60.00 x 4.00 |
| 63 | 68.4 | 6.2 | 7.6 | 0.25 | 63.0 x 2.7 x 1.4 | BU2700630 | ORAR00230 | 63.09 x 3.53 |
| 63 | 69.2 | 6.9 | 8.6 | 0.25 | 63.0 x 3.1 x 1.7 | BU3100630 | OR4006300 | 60.00 x 4.00 |
| 65 | 70.4 | 6.2 | 7.6 | 0.25 | 65.0 x 2.7 x 1.4 | BU2700650 | ORAR00231 | 66.27 x 3.53 |
| 65 | 71.2 | 6.9 | 8.6 | 0.25 | 65.0 x 3.1 x 1.7 | BU3100650 | OR4006500 | 65.40 x 4.00 |
| 70 | 75.4 | 6.2 | 7.6 | 0.25 | 70.0 x 2.7 x 1.4 | BU2700700 | ORAR00232 | 69.44 x 3.53 |
| 70 | 76.2 | 6.9 | 8.6 | 0.25 | 70.0 x 3.1 x 1.7 | BU3100700 | OR4007000 | 70.00 x 4.00 |
| 75 | 80.4 | 6.2 | 7.6 | 0.25 | 75.0 x 2.7 x 1.4 | BU2700750 | ORAR00234 | 75.79 x 3.53 |
| 75 | 81.2 | 6.9 | 8.6 | 0.25 | 75.0 x 3.1 x 1.7 | BU3100750 | OR4007500 | 75.00 x 4.00 |
| 80 | 88 | 8.3 | 10 | 0.25 | 80.0 x 4.0 x 1.7 | BU4000800 | OR5008000 | 80.00 x 5.00 |
| 80 | 88.6 | 9 | 10.9 | 0.25 | 80.0 x 4.3 x 1.7 | BU4300800 | ORAR00339 | 81.92 x 5.33 |
| 85 | 93 | 8.3 | 10 | 0.25 | 85.0 x 4.0 x 1.7 | BU4000850 | OR5008500 | 85.00 x 5.00 |
| 85 | 93.6 | 9 | 10.9 | 0.25 | 85.0 x 4.3 x 1.7 | BU4300850 | ORAR00340 | 85.09 x 5.33 |
| 90 | 98 | 8.3 | 10 | 0.25 | 90.0 x 4.0 x 1.7 | BU4000900 | OR5009000 | 90.00 x 5.00 |
| 90 | 98.6 | 9 | 10.9 | 0.25 | 90.0 x 4.3 x 1.7 | BU4300900 | ORAR00342 | 91.44 x 5.33 |
| 95 | 103 | 8.3 | 10 | 0.25 | 95.0 x 4.0 x 1.7 | BU4000950 | OR5009500 | 95.00 x 5.00 |
| 95 | 103.6 | 9 | 10.9 | 0.25 | 95.0 x 4.3 x 1.7 | BU4300950 | ORAR00343 | 94.62 x 5.33 |
| 100 | 108 | 8.3 | 10 | 0.25 | 100.0 x 4.0 x 1.7 | BU4001000 | OR5010000 | 100.00 x 5.00 |
| 100 | 108.6 | 9 | 10.9 | 0.25 | 100.0 x 4.3 x 1.7 | BU4301000 | ORAR00345 | 100.97 x 5.33 |
| 105 | 113 | 8.3 | 10 | 0.25 | 105.0 x 4.0 x 1.7 | BU4001050 | OR5010500 | 105.00 x 5.00 |
| 105 | 113.6 | 9 | 10.9 | 0.25 | 105.0 x 4.3 x 1.7 | BU4301050 | ORAR00346 | 104.14 x 5.33 |
| 110 | 118 | 8.3 | 10 | 0.25 | 110.0 x 4.0 x 1.7 | BU4001100 | OR5011000 | 110.00 x 5.00 |
| 110 | 118.6 | 9 | 10.9 | 0.25 | 110.0 x 4.3 x 1.7 | BU4301100 | ORAR00348 | 110.49 x 5.33 |
| 115 | 123 | 8.3 | 10 | 0.25 | 115.0 x 4.0 x 1.7 | BU4001150 | OR5011500 | 115.00 x 5.00 |
| 115 | 123.6 | 9 | 10.9 | 0.25 | 115.0 x 4.3 x 1.7 | BU4301150 | ORAR00349 | 113.67 x 5.33 |
| 120 | 128 | 8.3 | 10 | 0.25 | 120.0 x 4.0 x 1.7 | BU4001200 | OR5012000 | 120.00 x 5.00 |
| 120 | 128.6 | 9 | 10.9 | 0.25 | 120.0 x 4.3 x 1.7 | BU4301200 | ORAR00351 | 120.02 x 5.33 |
| 125 | 133 | 8.3 | 10 | 0.25 | 125.0 x 4.0 x 1.7 | BU4001250 | OR5012500 | 125.00 x 5.00 |
| 125 | 133.6 | 9 | 10.9 | 0.25 | 125.0 x 4.3 x 1.7 | BU4301250 | ORAR00353 | 126.37 x 5.33 |
| 130 | 138 | 8.3 | 10 | 0.25 | 130.0 x 4.0 x 1.7 | BU4001300 | OR5013000 | 130.00 x 5.00 |
| 130 | 138.6 | 9 | 10.9 | 0.25 | 130.0 x 4.3 x 1.7 | BU4301300 | ORAR00354 | 129.54 x 5.33 |
| 135 | 146.6 | 12.3 | 15.1 | 0.25 | 135.0 x 5.8 x 2.5 | BU5801350 | ORAR00432 | 135.89 x 7.00 |
| 140 | 151.6 | 12.3 | 15.1 | 0.25 | 140.0 x 5.8 x 2.5 | BU5801400 | ORAR00433 | 139.07 x 7.00 |
| 150 | 161.6 | 12.3 | 15.1 | 0.25 | 150.0 x 5.8 x 2.5 | BU5801500 | ORAR00437 | 151.77 x 7.00 |
| 160 | 171.6 | 12.3 | 15.1 | 0.25 | 160.0 x 5.8 x 2.5 | BU5801600 | ORAR00438 | 158.12 x 7.00 |
| 170 | 181.6 | 12.3 | 15.1 | 0.25 | 170.0 x 5.8 x 2.5 | BU5801700 | ORAR00440 | 170.82 x 7.00 |
| 180 | 191.6 | 12.3 | 15.1 | 0.25 | 180.0 x 5.8 x 2.5 | BU5801800 | ORAR00442 | 183.52 x 7.00 |
| 190 | 201.6 | 12.3 | 15.1 | 0.25 | 190.0 x 5.8 x 2.5 | BU5801900 | ORAR00443 | 189.87 x 7.00 |
| 200 | 211.6 | 12.3 | 15.1 | 0.25 | 200.0 x 5.8 x 2.5 | BU5802000 | ORAR00445 | 202.57 x 7.00 |
| 210 | 221.6 | 12.3 | 15.1 | 0.25 | 210.0 x 5.8 x 2.5 | BU5802100 | ORAR00446 | 215.27 x 7.00 |
| 220 | 231.6 | 12.3 | 15.1 | 0.25 | 220.0 x 5.8 x 2.5 | BU5802200 | ORAR00446 | 215.27 x 7.00 |
| 230 | 241.6 | 12.3 | 15.1 | 0.25 | 230.0 x 5.8 x 2.5 | BU5802300 | ORAR00447 | 227.97 x 7.00 |
| 240 | 251.6 | 12.3 | 15.1 | 0.25 | 240.0 x 5.8 x 2.5 | BU5802400 | ORAR00448 | 240.67 x 7.00 |
| 250 | 261.6 | 12.3 | 15.1 | 0.25 | 250.0 x 5.8 x 2.5 | BU5802500 | ORAR00449 | 253.37 x 7.00 |
| 280 | 291.6 | 12.3 | 15.1 | 0.25 | 280.0 x 5.8 x 2.5 | BU5802800 | ORAR00451 | 278.77 x 7.00 |
| 300 | 311.6 | 12.3 | 15.1 | 0.25 | 300.0 x 5.8 x 2.5 | BU5803000 | ORAR00453 | 304.17 x 7.00 |
| 320 | 331.6 | 12.3 | 15.1 | 0.25 | 320.0 x 5.8 x 2.5 | BU5803200 | ORAR00454 | 316.87 x 7.00 |
| 350 | 361.6 | 12.3 | 15.1 | 0.25 | 350.0 x 5.8 x 2.5 | BU5803500 | ORAR00457 | 354.97 x 7.00 |
| 360 | 371.6 | 12.3 | 15.1 | 0.25 | 360.0 x 5.8 x 2.5 | BU5803600 | ORAR00457 | 354.97 x 7.00 |
| 400 | 411.6 | 12.3 | 15.1 | 0.25 | 400.0 x 5.8 x 2.5 | BU5804000 | ORAR00461 | 405.26 x 7.00 |
